首页
关于红启
关于红启
About Us
公司理念
企业文化
发展历程
公司简介
产品中心
产品中心
Product Center
视频案例
视频案例
Video Case
下载中心
技术指南
资质荣誉
联系我们
01.
关于德仕
公司理念
企业文化
发展历程
公司简介
02.
产品中心
03.
视频案例
05.
下载中心
05.
技术指南
06.
资质荣誉
07.
联系我们
电力领域技术提供商
为电力领域提供可靠的产品解决方案
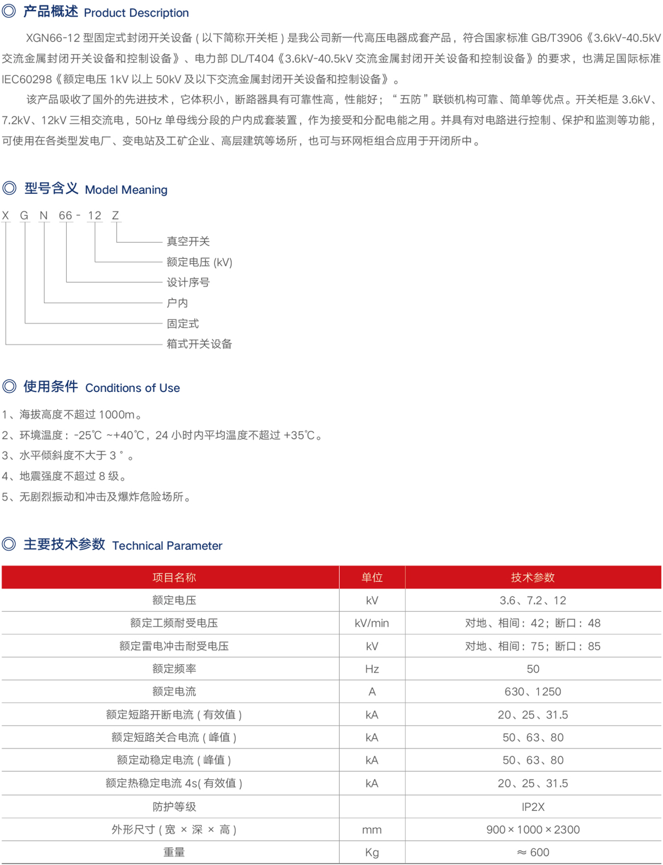
XGN66-12(Z) 固定式封闭开关设备
PRODUCT
XGN66-12(Z) 固定式封闭开关设备
XGN66-12型固定式封闭开关设备(以下简称开关柜)是我公司新一代高压电器成套产品,符合国家标准GB/T3906《3.6kV-40.5kV交流金属封闭开关设备和控制设备》、电力部DL/T404《3.6kV-40.5kV交流金属封闭开关设备和控制设备》的要求,也满足国际标准IEC60298《额定电压1kV以上50kV及
返回列表
产品详情
Product Details
推荐产品
Related products
红启电力为应对市场对产品多样性的需求
KYN61-40.5 铠装移开式交流金属封闭开关设备
KYN28A-12 铠装移开式交流金属封闭开关设备
KYN550-12 户内铠装移开式交流金属封闭开关设备
友情链接:
Copyright @ 2024 All Reserved 版权所有
sscmwl
浙ICP备2021039655号
0577-27813888